| Availability: | |
|---|---|
| Quantity: | |
Feature and advantages:
·The tool body is made of high-quality tool steel that has undergone special heat treatment, with the entire surface treated by coating, which is wear-resistant and rust-proof.
·HB type side-fixed tool holder and sturdy flanged tool body to reduce vibration or jitter
·Three types of channel-shaped solid carbide drill tips are suitable for processing materials such as carbon steel, cast iron, stainless steel, high-temperature alloys, and aluminum alloys.
·The drill tip adopts a side-fixing locking screw, making it more convenient to replace the drill tip.
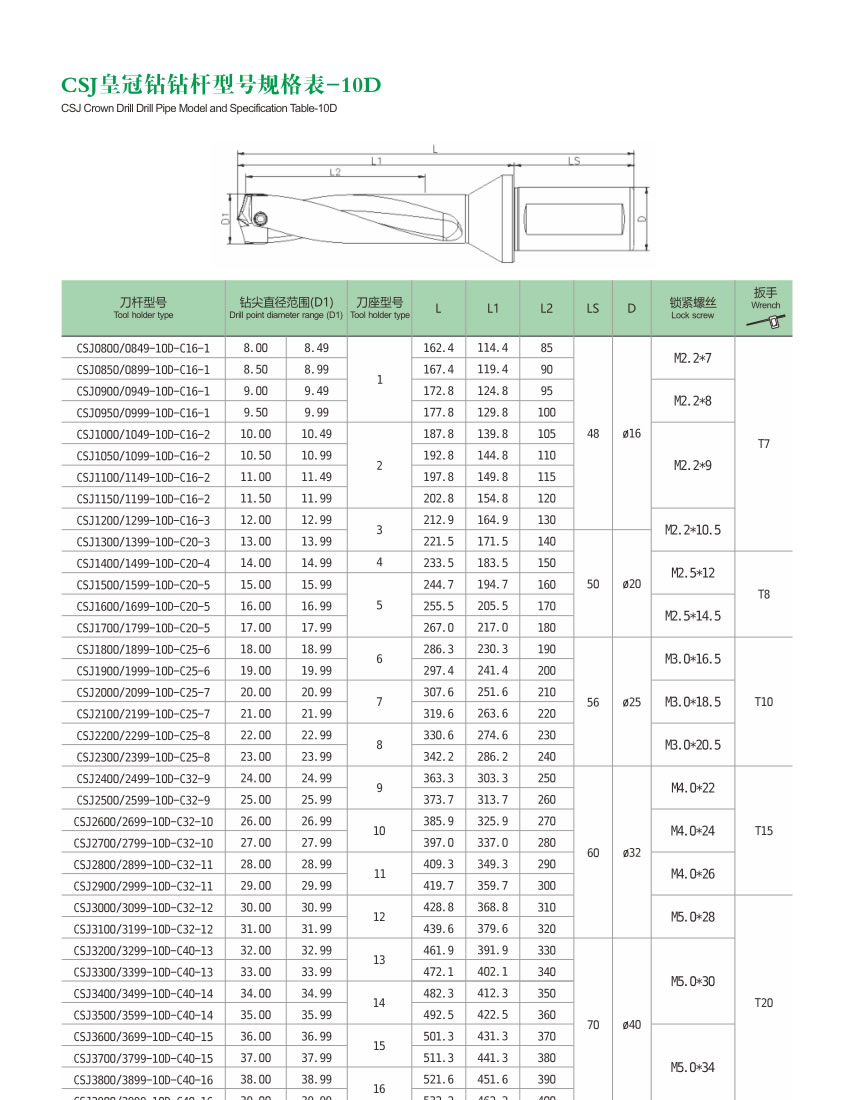
·The diameter range is ⌀8-39.99mm(0.315 - 1.57 in), and the processing depth is 3D, 5D, 7D, 10D and 12D. Other specifications can be customized non-standard.
·The internal cooling with threaded interface design facilitates the connection of high-pressure coolant externally and ensures smooth chip removal.

Specifications:





The KS Exchangeable Head Drill is a new type of replaceable-head drill bit launched by Chuanshanjia. It features a H13 material body and a rear-pull design. The standard model has a diameter ranging from D12.5 to D52. The drill rod has diameters of 1.5/3/5/7/8/10/12D. It is widely used in constructi
VUSP Z-PRO Spiral Fluted Taps for Multifunctional SteelsIt is the most suitable tool for processing large diameter blind holes and has expanded the range of HVSP products.Product Feature1. It can greatly improve the problem of chip jamming and chipping in the tapping part when tapping large sizes.2.
A rough boring head, also known as a rough boring cutter or rough boring tool, is a specialized cutting tool used in machining operations to create or enlarge a hole in a work piece. Specifically, it is used for the initial stage of boring, which involves removing a large amount of material quickly
Today I'd like to talk about the classification of drill bits. What kinds of drill bits are commonly used in mechanical processing? How are they classified and how should they be selected?1. Classification by Material01 High-Speed Steel (HSS) DrillsThe most common ones are Cobalt-Containing HSS/ Van